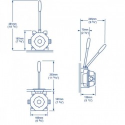
Bomba de esgoto manual Gusher 30 - montagem na antepara - 117 L/min
1 252,45 €
1 317,43 €
FORA DE STOCK
0
- -64,98 €